English
Español
Português
русский
Français
日本語
Deutsch
tiếng Việt
Italiano
Nederlands
ภาษาไทย
Polski
한국어
Svenska
magyar
Malay
বাংলা ভাষার
Dansk
Suomi
हिन्दी
Pilipino
Türkçe
Gaeilge
العربية
Indonesia
Norsk
تمل
český
ελληνικά
український
Javanese
فارسی
தமிழ்
తెలుగు
नेपाली
Burmese
български
ລາວ
Latine
Қазақша
Euskal
Azərbaycan
Slovenský jazyk
Македонски
Lietuvos
Eesti Keel
Română
Slovenski
मराठी
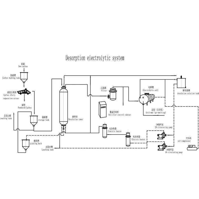
Srpski језик Το Ηλεκτρολυτικό Σύστημα Εκρόφησης είναι μια κρίσιμη τεχνολογία στη σύγχρονη εξόρυξη χρυσού, ιδιαίτερα στις διεργασίες άνθρακα σε πολτό (CIP) και άνθρακα σε έκπλυση (CIL). Αυτό το ιστολόγιο διερευνά πώς λειτουργεί το σύστημα, τα στοιχεία του, τα πλεονεκτήματά του και γιατί έχει γίνει πρότυπο στην απ......
Διαβάστε περισσότεραΟ ταξινομητής βυθισμένος σπειροειδής είναι ένα ζωτικό συστατικό στην επεξεργασία ορυκτών που ενισχύει τον διαχωρισμό και την ταξινόμηση των σωματιδίων σε διάφορες βιομηχανίες. Σε αυτό το άρθρο, θα διερευνήσουμε τη λειτουργία, τα πλεονεκτήματα και τις εφαρμογές των ταξινομητών βυθισμένων σπειρών, καθ......
Διαβάστε περισσότεραΟι δεξαμενές ανάδευσης έκπλυσης είναι απαραίτητος εξοπλισμός στη βιομηχανία εξόρυξης, ειδικά για την εξόρυξη πολύτιμων μετάλλων από μεταλλεύματα μέσω διεργασιών έκπλυσης. Σε αυτό το ιστολόγιο, θα διερευνήσουμε τη σημασία, την αρχή λειτουργίας και τους διάφορους τύπους δεξαμενών ανάδευσης έκπλυσης πο......
Διαβάστε περισσότεραΈνας Βυθισμένος Ταξινομητής Σπιράλ είναι ένα κρίσιμο κομμάτι εξοπλισμού στην επεξεργασία ορυκτών, σχεδιασμένο για να διαχωρίζει σωματίδια με βάση το μέγεθος και την πυκνότητα μέσω της καθίζησης με βαρύτητα και της μηχανικής κίνησης. Χρησιμοποιείται ευρέως σε συστήματα εξόρυξης, πλύσης άμμου και βιομ......
Διαβάστε περισσότεραΤο Circular High Rate Inlined Plate Thickener (CHRIPT) είναι ένα ζωτικής σημασίας εξοπλισμός που χρησιμοποιείται στη βιομηχανία εξόρυξης και επεξεργασίας ορυκτών. Γνωστό για την ικανότητά του να διαχωρίζει αποτελεσματικά τα στερεά από τα υγρά, αυτό το πυκνωτικό είναι ζωτικής σημασίας σε βιομηχανίες ......
Διαβάστε περισσότεραΗ κυλινδρική κυψέλη επίπλευσης αφρού φέρνει επανάσταση στην επεξεργασία ορυκτών με τον βελτιστοποιημένο σχεδιασμό, τους βελτιωμένους ρυθμούς ανάκτησης και την ενεργειακά αποδοτική απόδοση. Αυτός ο περιεκτικός οδηγός διερευνά πώς διαφέρουν οι κυλινδρικές κυψέλες επίπλευσης από τα παραδοσιακά μοντέλα,......
Διαβάστε περισσότερα