Τι είναι ένα ηλεκτρολυτικό σύστημα εκρόφησης και γιατί είναι απαραίτητο για τη σύγχρονη εξόρυξη χρυσού

ΟΗλεκτρολυτικό Σύστημα Εκρόφησηςείναι μια κρίσιμη τεχνολογία στη σύγχρονη εξόρυξη χρυσού, ιδιαίτερα στις διεργασίες άνθρακα σε πολτό (CIP) και άνθρακα σε έκπλυση (CIL). Αυτό το ιστολόγιο διερευνά πώς λειτουργεί το σύστημα, τα στοιχεία του, τα πλεονεκτήματά του και γιατί έχει γίνει πρότυπο στην αποτελεσματική ανάκτηση χρυσού. Επισημαίνουμε επίσης πώς αρέσει στις εταιρείεςΕΠΟΣοδηγούν την καινοτομία σε αυτόν τον τομέα. Στο τέλος, θα έχετε πλήρη κατανόηση του τρόπου με τον οποίο αυτό το σύστημα ενισχύει την παραγωγικότητα, μειώνει το κόστος και βελτιώνει τα ποσοστά ανάκτησης.

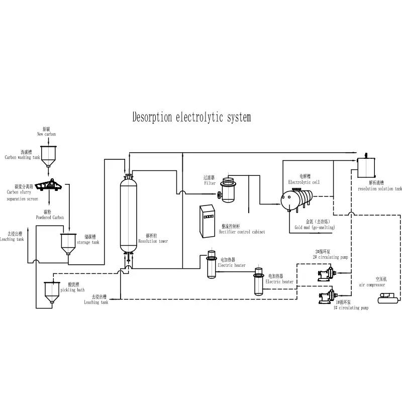
Desorption Electrolytic System

Πίνακας περιεχομένων


Τι είναι ένα Ηλεκτρολυτικό Σύστημα Εκρόφησης

A Ηλεκτρολυτικό Σύστημα Εκρόφησηςείναι ένα προηγμένο σύστημα ανάκτησης χρυσού που χρησιμοποιείται για την εξαγωγή χρυσού από ενεργό άνθρακα. Εφαρμόζεται ευρέως σε εργασίες εξόρυξης όπου ο χρυσός απορροφάται σε σωματίδια άνθρακα κατά τη διαδικασία έκπλυσης.

  • Εκρόφηση: Αφαιρεί τον χρυσό από τον άνθρακα χρησιμοποιώντας διαλύματα υψηλής θερμοκρασίας και υψηλής πίεσης
  • Ηλεκτρόλυση: Ανακτά τον χρυσό από το διάλυμα σε καθόδους
  • Σύστημα κλειστού βρόχου: Εξασφαλίζει αποτελεσματικότητα και ελάχιστη απώλεια

Αυτό το σύστημα είναι απαραίτητο για τη βελτίωση της αποτελεσματικότητας ανάκτησης και τη μείωση του λειτουργικού κόστους, καθιστώντας το βασικό συστατικό στις σύγχρονες μονάδες επεξεργασίας χρυσού.


Πώς λειτουργεί ένα Ηλεκτρολυτικό Σύστημα Εκρόφησης

Η αρχή λειτουργίας του αΗλεκτρολυτικό Σύστημα Εκρόφησηςπεριλαμβάνει δύο βασικά στάδια:

  1. Στάδιο εκρόφησης:Ο άνθρακας με χρυσό επεξεργάζεται με ένα καυτό διάλυμα αλκαλικού κυανιδίου, απελευθερώνοντας ιόντα χρυσού.
  2. Στάδιο Ηλεκτρόλυσης:Το πλούσιο σε χρυσό διάλυμα περνά μέσα από ένα ηλεκτρολυτικό στοιχείο όπου ο χρυσός εναποτίθεται σε καθόδους από χαλύβδινο μαλλί.

Η διαδικασία εξασφαλίζει υψηλή απόδοση και επιτρέπει τη συνεχή λειτουργία, γι' αυτό τα συστήματα από εταιρείες όπωςΕΠΟΣυιοθετούνται ευρέως σε βιομηχανικές εφαρμογές.


Κύρια Εξαρτήματα του Συστήματος

Συστατικό Λειτουργία
Στήλη εκρόφησης Συγκρατεί ενεργό άνθρακα και διευκολύνει την αφαίρεση του χρυσού
Ηλεκτρολυτική Κυψέλη Ανακτά τον χρυσό μέσω ηλεκτρόλυσης
Εναλλάκτης θερμότητας Διατηρεί την απαιτούμενη θερμοκρασία
Σύστημα φίλτρου Αφαιρεί τις ακαθαρσίες από το διάλυμα
Σύστημα Ελέγχου Αυτοματοποιεί τη λειτουργία και παρακολουθεί τις παραμέτρους

Κάθε στοιχείο διαδραματίζει ζωτικό ρόλο στη διασφάλιση της αποτελεσματικής και συνεπούς λειτουργίας του συστήματος.


Τεχνικά πλεονεκτήματα και χαρακτηριστικά

  • Υψηλό ποσοστό ανάκτησης χρυσού (έως 98%)
  • Χαμηλή κατανάλωση ενέργειας
  • Αυτοματοποιημένη λειτουργία για μειωμένο εργατικό κόστος
  • Συμπαγής σχεδιασμός για απόδοση χώρου
  • Φιλικό προς το περιβάλλον με ελάχιστες εκπομπές ρύπων

Οι κατασκευαστές όπωςΕΠΟΣβελτιστοποιήστε συνεχώς αυτά τα συστήματα για να ανταποκριθούν στις εξελισσόμενες απαιτήσεις της βιομηχανίας, διασφαλίζοντας καλύτερη απόδοση και αξιοπιστία.


Εφαρμογές στην Επεξεργασία Χρυσού

ΟΗλεκτρολυτικό Σύστημα Εκρόφησηςχρησιμοποιείται ευρέως σε:

  • Εγκαταστάσεις εξόρυξης χρυσού
  • Λειτουργίες CIP (Carbon-in-Pulp).
  • Διεργασίες CIL (Carbon-in-Leach).
  • Ανάκτηση απορριμμάτων χρυσού

Η ευελιξία του το καθιστά κατάλληλο τόσο για μεγάλης κλίμακας βιομηχανική εξόρυξη όσο και για μικρότερες εργασίες που αναζητούν βελτιώσεις στην απόδοση.


Σύγκριση με παραδοσιακές μεθόδους

Χαρακτηριστικό Ηλεκτρολυτικό Σύστημα Εκρόφησης Παραδοσιακές Μέθοδοι
Αποδοτικότητα Ψηλά Μέτριος
Αυτοματοποίηση Πλήρως αυτοματοποιημένο Χειροκίνητο ή ημιαυτόματο
Κόστος Χαμηλότερο μακροπρόθεσμο κόστος Υψηλότερο λειτουργικό κόστος
Περιβαλλοντικές Επιπτώσεις Χαμηλός Πιο ψηλά

Σαφώς, το σύγχρονο σύστημα παρέχει σημαντικά πλεονεκτήματα έναντι των παραδοσιακών τεχνικών ανάκτησης χρυσού.


Οδηγός επιλογής για αγοραστές

Όταν επιλέγετε έναΗλεκτρολυτικό Σύστημα Εκρόφησης, λάβετε υπόψη τους ακόλουθους παράγοντες:

  • Ικανότητα επεξεργασίας
  • Επίπεδο αυτοματισμού
  • Ενεργειακή απόδοση
  • Φήμη κατασκευαστή (π.χ. EPIC)
  • Υποστήριξη μετά την πώληση

Η επιλογή του σωστού συστήματος εξασφαλίζει μακροπρόθεσμη επιχειρησιακή επιτυχία και μεγιστοποίηση της απόδοσης της επένδυσης.


Συμβουλές συντήρησης και λειτουργίας

  • Επιθεωρείτε τακτικά σωληνώσεις και βαλβίδες
  • Παρακολουθήστε τα επίπεδα θερμοκρασίας και πίεσης
  • Καθαρίζετε περιοδικά τα ηλεκτρολυτικά κύτταρα
  • Αντικαταστήστε τα φθαρμένα εξαρτήματα αμέσως
  • Ακολουθήστε αυστηρά τις οδηγίες του κατασκευαστή

Η σωστή συντήρηση παρατείνει σημαντικά τη διάρκεια ζωής του συστήματος και εξασφαλίζει σταθερή απόδοση.


FAQ

1. Ποιος είναι ο κύριος σκοπός ενός Ηλεκτρολυτικού Συστήματος Εκρόφησης;

Ο κύριος σκοπός του είναι η αποτελεσματική εξαγωγή και ανάκτηση χρυσού από ενεργό άνθρακα.

2. Πόσο αποτελεσματικό είναι το σύστημα;

Τα περισσότερα συστήματα επιτυγχάνουν ποσοστό ανάκτησης χρυσού άνω του 95%, ανάλογα με τις συνθήκες λειτουργίας.

3. Είναι το σύστημα φιλικό προς το περιβάλλον;

Ναι, τα σύγχρονα συστήματα έχουν σχεδιαστεί για να ελαχιστοποιούν τις εκπομπές και να μειώνουν τα χημικά απόβλητα.

4. Μπορεί να προσαρμοστεί;

Ναι, εταιρείες όπως η EPIC προσφέρουν προσαρμόσιμες λύσεις με βάση τις απαιτήσεις επεξεργασίας.

5. Ποιες βιομηχανίες χρησιμοποιούν αυτό το σύστημα;

Κυρίως η βιομηχανία εξόρυξης χρυσού, αλλά και σε εφαρμογές ανάκτησης πολύτιμων μετάλλων.


Σύναψη

ΟΗλεκτρολυτικό Σύστημα Εκρόφησηςαντιπροσωπεύει μια σημαντική ανακάλυψη στην τεχνολογία ανάκτησης χρυσού, προσφέροντας απαράμιλλη απόδοση, αξιοπιστία και περιβαλλοντική απόδοση. Με συνεχείς εξελίξεις από κορυφαίους κλάδους όπωςΕΠΟΣ, αυτό το σύστημα γίνεται ολοένα και πιο απαραίτητο για τις σύγχρονες εργασίες εξόρυξης. Εάν θέλετε να βελτιστοποιήσετε τη διαδικασία εξόρυξης χρυσού και να βελτιώσετε την κερδοφορία, η επένδυση σε ένα σύστημα υψηλής ποιότητας είναι μια έξυπνη επιλογή.Επικοινωνήστε μαζί μαςσήμερα για να μάθετε περισσότερα για το πώς μπορούμε να παρέχουμε προσαρμοσμένες λύσεις για τις ανάγκες σας.

Αποστολή Ερώτησης

X
Χρησιμοποιούμε cookies για να σας προσφέρουμε καλύτερη εμπειρία περιήγησης, να αναλύσουμε την επισκεψιμότητα του ιστότοπου και να εξατομικεύσουμε το περιεχόμενο. Χρησιμοποιώντας αυτόν τον ιστότοπο, συμφωνείτε με τη χρήση των cookies από εμάς. Πολιτική Απορρήτου